VU Meter Menggunakan AT89C2051
VU Meter (Disco Liter) atau bisa disebut juga lampu seiring dengan musik.
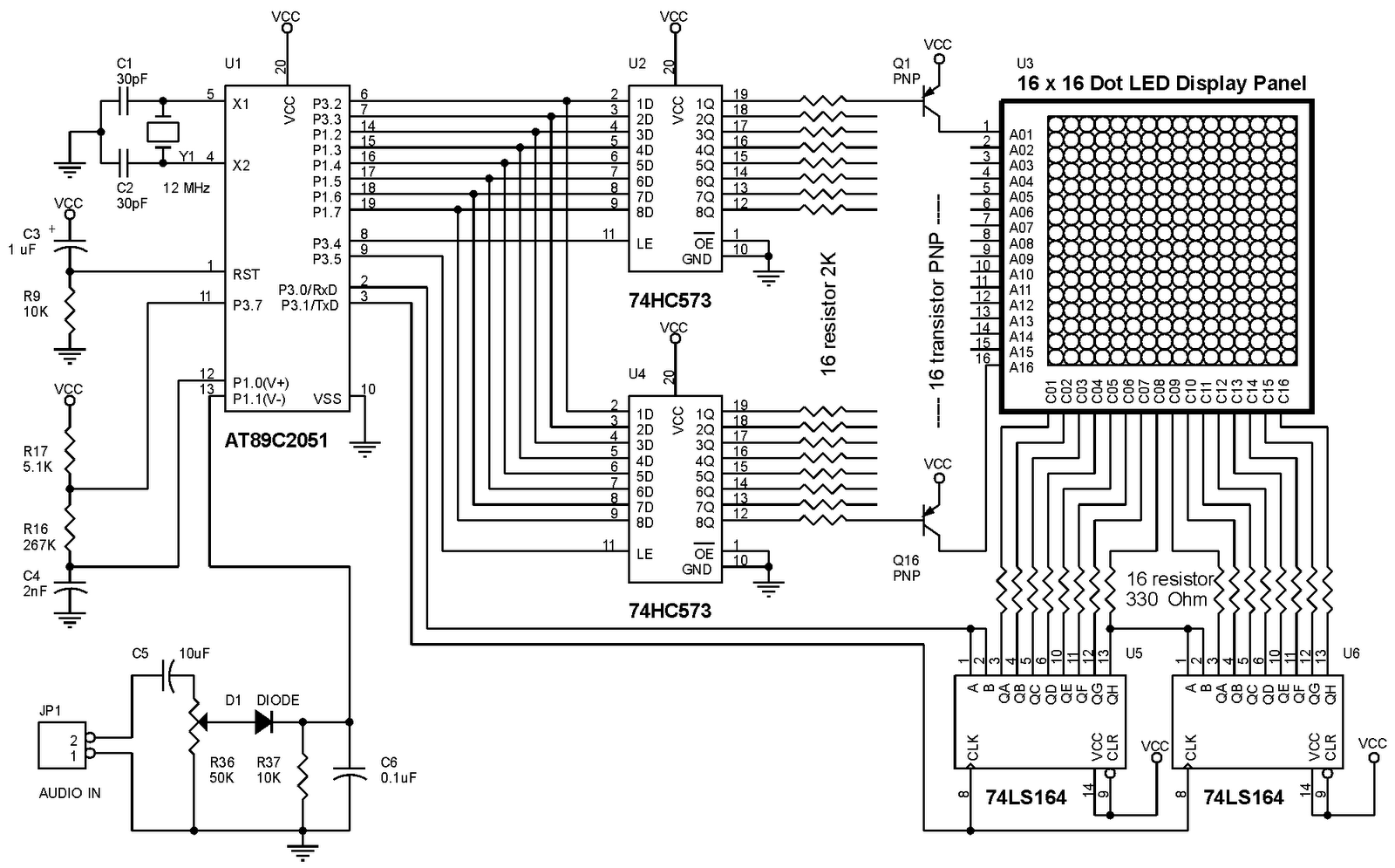
Gambar 1 memperlihatkan rangkaian lengkap Disco Lite, AT89C2051 dilengkapi dengan kapasitor C1, C2 dan kristal 12 MHz Y1 sebagai rangkaian oscilator, kapasitor C3 dan resitor membentuk rangkaian reset.
Resitor R17, R16 dan kapasitor C4 serta capasitor C5, C6, diode D1, resistor R36, R37 bersama dengan AT89C2051 membentuk rangkaian Analog/Digital Converter sederhana, dipakai untuk mengukur besarnya sinyal audio yang masuk.
Bagian lain dari rangkaian terdiri dari 2 buah 74HC573, 2 buah 74LS164, 32 resistor dan 16 transistor, dan sebuah 16x16 Dot LED Display Panel. Bagian ini merupakan bagian tampilan, dalam Display Panel ukuran sekitar 8 x 8 cm itu terdapat 256 buah LED yang nyala/padamnya disesuaikan dengan irama sinyal audio yang diterima.
Sinyal audio yang diterima, di-skala-kan menjadi 10 bagian menurut besar kecilnya sinyal, setiap bagian skala mempunyai pola nyala/pdam lampu yang berlainan, sehingga kuat lemahnya sinyal audio akan membentuk gambar yang acak pada panel tampilan.
Gambar 2 menggambarkan rangkaian ekuivalen Analog/Digital Converter, sebelum diukur sinyal audio yang diterima dikondisikan dulu, potensiometer R36 dipakai untuk mengatur besar kecilnya level sinyal audio yang diterima, karena rangkaian Analog/Digital Converter ini hanya menerima tegangan positip maka sinyal audio disearahkan dengan Diode D1, sedangkan resistor R37 dan kapasitor C6 merupakan filter sederhana untuk sedikit meredam sinyal audio agar tidak terlalu fluktuatip.
Tegangan dari sinyal audio ini diumpankan ke kaki P1.1 dari AT89C2051 yang berfungsi sebagai input V- (inverting input) dari Analog Comparator.
Kaki P1.0 yang berfungsi sebagai input V+ (non inverting input) dihubungkan ke kapasitor C4, kapasitor ini diisi lewat tahanan R17 dan R16 pada saat P3.7 dari AT89C2051 dalam keadaan ‘1’, dan isinya dikosongkan lewat R16 pada saat P3.7 dalam keadaan ‘0’.
Bentuk tegangan di kapasitor C4 (terhubung ke P1.0) pada saat pengisian kapasitor dan pengosongan kapasitor terlihat di Gambar 3.
Pada saat mulai mengukur tegangan sinyal audio, kapasitor C4 dalam keadaan kosong atau tegangan kapasitor = 0 Volt, tegangan P1.1 lebih positip dibanding P1.0 sehingga output dari Analog Comparator (P3.6) = ‘0’.
Resitor R17, R16 dan kapasitor C4 serta capasitor C5, C6, diode D1, resistor R36, R37 bersama dengan AT89C2051 membentuk rangkaian Analog/Digital Converter sederhana, dipakai untuk mengukur besarnya sinyal audio yang masuk.
Bagian lain dari rangkaian terdiri dari 2 buah 74HC573, 2 buah 74LS164, 32 resistor dan 16 transistor, dan sebuah 16x16 Dot LED Display Panel. Bagian ini merupakan bagian tampilan, dalam Display Panel ukuran sekitar 8 x 8 cm itu terdapat 256 buah LED yang nyala/padamnya disesuaikan dengan irama sinyal audio yang diterima.
Sinyal audio yang diterima, di-skala-kan menjadi 10 bagian menurut besar kecilnya sinyal, setiap bagian skala mempunyai pola nyala/pdam lampu yang berlainan, sehingga kuat lemahnya sinyal audio akan membentuk gambar yang acak pada panel tampilan.
Gambar 2 menggambarkan rangkaian ekuivalen Analog/Digital Converter, sebelum diukur sinyal audio yang diterima dikondisikan dulu, potensiometer R36 dipakai untuk mengatur besar kecilnya level sinyal audio yang diterima, karena rangkaian Analog/Digital Converter ini hanya menerima tegangan positip maka sinyal audio disearahkan dengan Diode D1, sedangkan resistor R37 dan kapasitor C6 merupakan filter sederhana untuk sedikit meredam sinyal audio agar tidak terlalu fluktuatip.
Tegangan dari sinyal audio ini diumpankan ke kaki P1.1 dari AT89C2051 yang berfungsi sebagai input V- (inverting input) dari Analog Comparator.
Kaki P1.0 yang berfungsi sebagai input V+ (non inverting input) dihubungkan ke kapasitor C4, kapasitor ini diisi lewat tahanan R17 dan R16 pada saat P3.7 dari AT89C2051 dalam keadaan ‘1’, dan isinya dikosongkan lewat R16 pada saat P3.7 dalam keadaan ‘0’.
Bentuk tegangan di kapasitor C4 (terhubung ke P1.0) pada saat pengisian kapasitor dan pengosongan kapasitor terlihat di Gambar 3.
Pada saat mulai mengukur tegangan sinyal audio, kapasitor C4 dalam keadaan kosong atau tegangan kapasitor = 0 Volt, tegangan P1.1 lebih positip dibanding P1.0 sehingga output dari Analog Comparator (P3.6) = ‘0’.
Gambar 1
Rangkaian Disco Lite
Rangkaian Disco Lite
Setelah itu P3.7 =’1’, tegangan kapasitor C4 mulai naik sesuai dengan grafik Gambar 3, sampai suatu saat tegangan C4 lebih positip dari tegangan sinyal audio dan output Analog Comparator P3.6 berubah dari ‘0’ menjadi ‘1’. Selang waktu saat mulai pengisian kapasitor sampai P3.6 menjadi ‘1’ setara dengan tegangan sinyal audio, makin besar tegangan makin lama P3.6 menjadi ‘1’.
Gambar 2
Rangkaian ekuivalen Analog/Digital Converter
Rangkaian ekuivalen Analog/Digital Converter
Nyala/padam 256 LED diatur dengan cara multiplek, seperti yang dipakai dalam artikel Digital Clock - Ilhami Prinsip Dasar Microcontroller. Meminjam istilah-istilah yang dipakai di artikel itu, 16x16 Dot LED Display Panel yang dipakai bisa dianggap merupakan penampil dengan 16 ruas sebanyak 16 digit.
16 buah Saklar digit masing-masing dibentuk dengan sebuah resistor dan transistor PNP, karena jumlahnya melebihi kaki AT89C2051 tidak bisa dikendalikan langsung lewat port yang ada, tapi lewat bantuan 2 buah IC 74HC573 (berisikan 8 buah Latch). Data yang disimpan ke dalam dua IC ini diumpan dari P1.2..P1.7 dan P3.2..P2.3, P3.4 dipakai untuk mengatur 74HC573 yang pertama (U2) jika P3.4=’1’ maka data di input IC ini akan direkam dan diteruskan ke outputnya, P3.4 untuk mengatur 74HC573 yang kedua (U4).
16 buah saklar ruas dibentuk dengan 2 buah IC 74LS164 (berisikan 8 bit shift register), resistor yang dipasangkan pada output IC ini dipakai untuk membatasi arus LED. Data ruas sebanyak 16 bit dikirim dari AT89C2051 secara seri, digeser masuk ke shift register 74LS164. Saat data digeser, semua saklar digit dimatikan sehingga proses pergeseran ini tidak nampak ditampilan.
16 buah Saklar digit masing-masing dibentuk dengan sebuah resistor dan transistor PNP, karena jumlahnya melebihi kaki AT89C2051 tidak bisa dikendalikan langsung lewat port yang ada, tapi lewat bantuan 2 buah IC 74HC573 (berisikan 8 buah Latch). Data yang disimpan ke dalam dua IC ini diumpan dari P1.2..P1.7 dan P3.2..P2.3, P3.4 dipakai untuk mengatur 74HC573 yang pertama (U2) jika P3.4=’1’ maka data di input IC ini akan direkam dan diteruskan ke outputnya, P3.4 untuk mengatur 74HC573 yang kedua (U4).
16 buah saklar ruas dibentuk dengan 2 buah IC 74LS164 (berisikan 8 bit shift register), resistor yang dipasangkan pada output IC ini dipakai untuk membatasi arus LED. Data ruas sebanyak 16 bit dikirim dari AT89C2051 secara seri, digeser masuk ke shift register 74LS164. Saat data digeser, semua saklar digit dimatikan sehingga proses pergeseran ini tidak nampak ditampilan.
Gambar 3 Grafik tegangan kapasitor
Pembahasan alat
Pembahasan alat
Diagram alir program Disco Lite terlihat di Gambar 4, setelah alat ini mendapat catu daya langsung program melaksanakan persiapan untuk menata kerja dari alat, hal-hal yang dilakukan antara lain adalah mematikan dulu semua lampu tampilan, mengosongkan kapasitor C4.
Bagian Utama dari program ini adalah mengatur tampilan yang dibentuk dari 256 titik LED, data ruas yang akan ditampilkan dikirim ke sistem tampilan lewat 2 buah IC shift register 74LS164, setelah itu skaklar digit yang sesuai dengan data ruas yang baru saja dikirim dinyalakan. Proses ini dilakukan terus menerus selama alat ini bekerja, agar tampilan nampak bagus tidak bergetar begian ini harus dilakukan cukup cepat.
Setelah 50 kali putaran proses pengaturan penampilan, proses ini ditinggalkan sebentar untuk mengukur tegangan sinyal audio, atas dasar besar kecilnya tegangan yang terukur dipilih pola nyala/padam lampu yang sudah disiapkan lebih dulu dalam Flas PEROM, dan pola tersebut yang akan ditampilkan.
Effek lampu yang terbentuk, bisa dengan mudah dikomposisikan dan diisikan ke dalam Flash PEROM sehingga bisa dibentuk bermacam-macam model penampilan.
Bagian Utama dari program ini adalah mengatur tampilan yang dibentuk dari 256 titik LED, data ruas yang akan ditampilkan dikirim ke sistem tampilan lewat 2 buah IC shift register 74LS164, setelah itu skaklar digit yang sesuai dengan data ruas yang baru saja dikirim dinyalakan. Proses ini dilakukan terus menerus selama alat ini bekerja, agar tampilan nampak bagus tidak bergetar begian ini harus dilakukan cukup cepat.
Setelah 50 kali putaran proses pengaturan penampilan, proses ini ditinggalkan sebentar untuk mengukur tegangan sinyal audio, atas dasar besar kecilnya tegangan yang terukur dipilih pola nyala/padam lampu yang sudah disiapkan lebih dulu dalam Flas PEROM, dan pola tersebut yang akan ditampilkan.
Effek lampu yang terbentuk, bisa dengan mudah dikomposisikan dan diisikan ke dalam Flash PEROM sehingga bisa dibentuk bermacam-macam model penampilan.
Kode Program Lengkap bisa didownload disini
Source kode menggunakan bahasa assembler